SPLY帶法蘭空調用油分離器
產品分類:制冷配件
品牌:SIKELAN
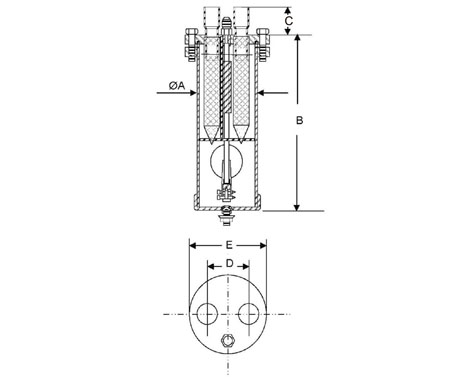
產品簡介:油分離器具有從制冷氣體混合物中分離油的能力,從而促使制冷空調系統的有效運行。并節約能源,它的功能是從壓縮機的制冷劑和油的混合物進入油分離器的進口,這個混合物流過一個過濾器和擋版裝置,使油的細粒聚集并跌落到油分離器的底部,制冷劑氣體通過出口,過濾器將殘余的油粒分離,并在無油的狀態下進入冷凝器,制冷劑的油聚集在油分離器的底部,在該處的一個由浮球操作的針形閥開啟,讓油回到壓縮機中,由于油分離器的壓力比曲軸箱的壓力要高,因此油很快地返回到壓縮機中,當油位下降,針形閥將關閉以防止制冷氣體返回到壓縮機。油分離器系統安裝于超市及空調系統的多重壓縮機支架、帶有長制冷液路的系統、存在內部回油問題的系統、超低溫系統和使用HCFC,HFC,及相應潤滑劑的系統。
特征:帶有鋼制回油系統的密封結構(1/4或3/8″螺口)
可靠的浮閥關閉系統,堅固的銅接口,法蘭拆卸,方便檢修
耐腐蝕噴塑,最大工作壓力:3.1Mpa
